QuestionPapersHub.com

Network Theory Demo Test Series-1

Q:   For the network shown in fig., the minimum number of independent equations to be solved simultaneously for mesh analysis & nodal analysis respectively are ____.

  • A:  3,2
  • B:  2,3
  • C:  3,3
  • D:  2,2

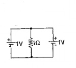
Q:   Assuming the ideal elements in circuit, the V(AB) will be ___.

  • A:  3V
  • B:  -3V
  • C:  2V
  • D:  -2V

Q:   The current I supplied by the DC voltage source in this circuit ___.

  • A:  3A
  • B:  1A
  • C:  2A
  • D:  0.5A

Q:   The current I supplied by the DC voltage source in this circuit ___.

  • A:  -3W.16W
  • B:  3W,16W
  • C:  1W,28W
  • D:  -16W,3W

Q:   The current the 1ohm resistor in circuit shown : ___.

  • A:  2A
  • B:  6A
  • C:  1A
  • D:  0.5A

Q:   Twelve 1 ohm are used as edges to form a cube. The resistance between two diagonally opposite corners of the cube is ___.

  • A:  1 ohm
  • B:  6/5 ohm
  • C:  5/6 ohm
  • D:  3/2 ohm

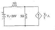
Q:   The Dependent current source shown in the fig. ___.

  • A:  Delievers 40W
  • B:  Delievers 80W
  • C:  Absorbs 80W
  • D:  Absorbs 40W

Q:   Applying superposition theorem, current I shown in the fig. ___.

  • A:  [(4/5)-(1/5)]
  • B:  [(1/5)-(4/5)]
  • C:  [(4/5)-(2/5)]
  • D:  [(3/5)-(1/5)]

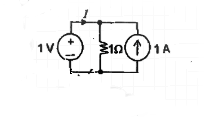
Q:   The time constant of the circuit shown ___.

  • A:  1/2 sec
  • B:  1/4 sec
  • C:  2 sec
  • D:  4 sec

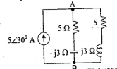
Q:   The time constant of the circuit shown ___.

  • A:  12.5∠30°
  • B:  5∠30°
  • C:  17∠30°
  • D:  0∠30°

Hey Hi,
If You Like Our Work, and Love What We Do, You Can Contribute ANY Amount, for our Hard-Working Backend & Frontend Team Who Handles, Makes, Manages All Your Contents (Notes, QP, Soln, Remedial,& Others) So that Your Pressure in Engineering, Can Be Lowered. Your Contribution Will Help Us to reach More Students & Provide Much Better Services.

You Can Contribute, by Clicking Here

More Tests Will Be Launched Soon, So Stay Tunned and Keep Checking, and follow us on Instagram too for more updates.